 
                                                                    Tre-delt kuleventil med redusert lÞp i syrefast stÄl/CPTFE med sveisestusser og toppflens for aktuering. Tre-delt for enkel service og vedlikehold. Hovedsakelig for syrer og saltlÞsninger, gass, damp, varmt og kaldt vann.
| DimensjonsomrÄde (DN) | 15 - 150 | 
|---|---|
| Trykklasse (PN) | 16 - 125 | 
| Temperatur (°C) | -30 - 220 | 
| Hovedmateriale | Rustfritt stÄl | 
| Artikkelnummer | Utførelse | DN | PN | Temperatur (°C) | Manøvrering | KVS | Tilkobling 1 | Antall | |
|---|---|---|---|---|---|---|---|---|---|
| AT 128013 | Redusert gjennomløp | 15 | 125 | -30 - 220 | Låsbar spak | 6,9 | ISO 1127, sveiseende | Forespørsel | Tilbud | 
| AT 128014 | Redusert gjennomløp | 20 | 125 | -30 - 220 | Låsbar spak | 12,7 | ISO 1127, sveiseende | Forespørsel | Tilbud | 
| AT 128015 | Redusert gjennomløp | 25 | 125 | -30 - 220 | Låsbar spak | 29,2 | ISO 1127, sveiseende | Forespørsel | Tilbud | 
| AT 128016 | Redusert gjennomløp | 32 | 125 | -30 - 220 | Låsbar spak | 48,2 | ISO 1127, sveiseende | Forespørsel | Tilbud | 
| AT 106628 | Redusert gjennomløp | 40 | 100 | -30 - 220 | Låsbar spak | 73,1 | ISO 1127, sveiseende | Forespørsel | Tilbud | 
| AT 128017 | Redusert gjennomløp | 50 | 64 | -30 - 220 | Låsbar spak | 107,5 | ISO 1127, sveiseende | Forespørsel | Tilbud | 
| AT 128018 | Redusert gjennomløp | 65 | 64 | -30 - 220 | Låsbar spak | 215 | ISO 1127, sveiseende | Forespørsel | Tilbud | 
| AT 128019 | Redusert gjennomløp | 80 | 64 | -30 - 220 | Låsbar spak | 275,2 | ISO 1127, sveiseende | Forespørsel | Tilbud | 
| AT 128020 | Redusert gjennomløp | 100 | 64 | -30 - 220 | Låsbar spak | 498,8 | ISO 1127, sveiseende | Forespørsel | Tilbud | 
Stengeventil for hovedsakelig:
- Lut, syrer og saltlĂžsninger
- LĂžsningsmidler og alkoholer
- Petroleumsprodukter som olje og gass
- Varmt og kaldt vann samt trykkluft
- Damp, mettet (se diagram)
PSB.1 Kuleventiler
Kuleventil i syrefast stÄl AT 3500..., med redusert lÞp, sveisestusser og stÄlhÄndtak. Pakkboks med karbonfyllt PTFE
AFS 2023:5, ATEX 2014/34/EU, PED 2014/68/EU, SIL3, TA-luft
Produktet er CE-merket
Tester utfĂžrt iht. ISO 5208. Lekkasjegruppe A. Ventilen er typegodkjent iht. TA-Luft (ISO 15848). Materialsertifikat iht. EN 10204-3.1 er tilgjengelig. FDA (Seter av PPTFE)
Produktmerking: Fabrikat, DN, PN, materialkode, CE og QR-kode
| Pos | Komponent | Materiale | 
|---|---|---|
| 1 | Ventilhus | Syrefast stÄl AISI 316 (1.4408, CF8M) | 
| 2 | Kule | Syrefast stÄl AISI 316 (1.4401) | 
| 3 | Spindel | Syrefast stÄl AISI 316 (1.4401) | 
| 4 | Ventilhusets pakning * | Glassfylt PTFE (15%) | 
| 5 | * Seterring | Karbonfylt PTFE | 
| 6 | Tetning pÄ spindel * | Karbonfylt PTFE | 
| 7 | N.A. | |
| 8 | StĂžttering | PTFE (polytetrafluoreten) | 
| 9 | Endestykke / gavler | Syrefast stÄl AISI 316 (1.4409) | 
| 10 | HÄndspak | Rustfritt stÄl AISI 304 (1.4301) | 

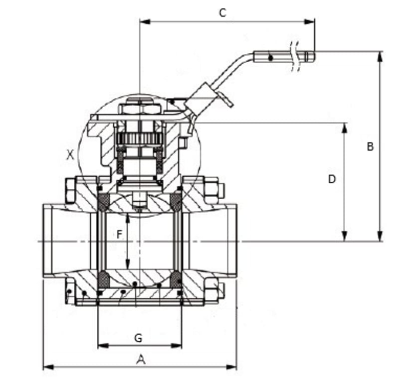
DimensjonsomrÄde (DN): 15 - 150
| DN | A | B | C | D | F | G | Netto vekt (kg) | 
|---|---|---|---|---|---|---|---|
| 15 | 75 | 76.6 | 140 | 42.6 | 10 | 24.5 | 0.8 | 
| 20 | 75 | 76.6 | 140 | 42.6 | 15 | 24.5 | 0.8 | 
| 25 | 90 | 81.7 | 140 | 46.8 | 20 | 31.4 | 1.3 | 
| 32 | 110 | 98.3 | 170 | 59.3 | 25 | 41.3 | 2 | 
| 40 | 115 | 101.6 | 170 | 62.6 | 32 | 48.4 | 2.8 | 
| 50 | 130 | 128 | 230 | 79 | 38 | 56.3 | 4.4 | 
| 65 | 143 | 137 | 230 | 87.7 | 50 | 71.4 | 6.1 | 
| 80 | 185 | 167.5 | 380 | 108.7 | 65 | 86.6 | 13 | 
| 100 | 205 | 176.5 | 520 | 117.7 | 80 | 99 | 16.3 | 

Tre-delt kuleventil for enkel service og vedlikehold.
Ingen demontering eller pakningsbytte i sammenheng med innsveising.
Homogen flytende kule for tett avstengning og lavt trykkfall.
Selvkompenserende spindelpacking gir tett ventil ved hĂžy operasjonsfrekvens. 
UtblÄsningssikker antistatisk spindelkonstruksjon forhindrer spindelen Ä trykkes ut ved trykkslag.
Monteringsflens iht. ISO 5211 for aktuering.
Ingen ventindemontering ved service eller montering av aktuering.
Ventiler stĂžrre enn DN50 har rundt ventilhus/ monteringsflens.
Hovedmateriale: Rustfritt stÄl
Hovedmaterialets kode: Syrefast stÄl AISI 316 (1.4408, CF8M)
InngÄende materialer: Rustfritt stÄl, Annet
Inkludert materialkode: Syrefast stÄl AISI 316 (1.4401), Syrefast stÄl AISI 316 (1.4408, CF8M), Syrefast stÄl AISI 316 (1.4409), PTFE (polytetrafluoreten), Karbonfylt PTFE
Temperatur (°C): -30 - 220
Trykklasse (PN): 16 - 125
Forbindelse/Tilkobling: ISO 1127, sveiseende
ETIM klassifisering: EC011343 - Kuleventil
BK04-kode: 20702 Kuleventiler

StrĂžmningsretning: To-veis
Mulig monteringsposisjon: Vertikal, Horisontal
Ventiler med sveiseender kan sveises inn uten demontering under forutsetning at kulen er i Äpen posisjon. Ventilen skal beveges pÄ jevnling for Ä unngÄ oppsamling av smuss som kan lede til lekkasje.