Tilbakeslagssikring type BA i syrefast stål (AISI 316Ti). Flenstilkobling for væskekategori 4. BA298I fra Resideo Braukmann (tidligere Honeywell).
| Dimensjonsområde (DN) | 65 - 150 |
|---|---|
| Trykklasse (PN) | 10 |
| Temperatur (°C) | 0 - 65 |
| Hovedmateriale | Rustfritt stål |
| Artikkelnummer | Utførelse | DN | Kvalitetssikring | Antall | |
|---|---|---|---|---|---|
| AT 106979 | Tilbakestrømning | 65 | Væskekategori 4, NS-EN 1717 | 2026-04-13 | |
| AT 106981 | Tilbakestrømning | 80 | Væskekategori 4, NS-EN 1717 | 2026-04-13 | |
| AT 106983 | Tilbakestrømning | 100 | Væskekategori 4, NS-EN 1717 | 2026-04-08 | |
| AT 106985 | Tilbakestrømning | 150 | Væskekategori 4, NS-EN 1717 | 2026-04-13 |
Tilbakeslagssikringer brukes til å beskytte tappevannssystemer internt og eksternt mot hevert-tilbakestrømning og overtrykkstilbakestrømning. Beskyttelsesdekning for væske opp til kategori 4. Tilbakeslagssikringen er av type BA i henhold til NS-EN 1717.
PSG.26 Tilbakestrømningssikringer
Tilbakeslagssikring AT 1167-...SS, DN .... Tilbakeslagssikring i rustfritt stål. PN10, type BA i flenset utførelse. For maksimal beskyttelsesdekning av væskekategori 4 i henhold til SS-EN 1717.
Væskekategori 4, NS-EN 1717
Væskekategori 4, SS-EN 1717
Produktet er CE-merket
Produktmerking: Merke, DN, PN, strømningshastighet, produsent og produksjonsnummer.
Separat inspeksjonsetikett.
Meldepliktig i henhold til REACH: Nei
REACH dato: 2026-03-03
| Pos | Komponent | Materiale |
|---|---|---|
| 1 | Hus | Syrefast stål AISI 316Ti (1.4571) |
| 2 | Tilbakeslagsventil | Rustfritt stål AISI 303 (1.4305) |
| 3 | Tilbakeslagsventiler | Rustfritt stål |

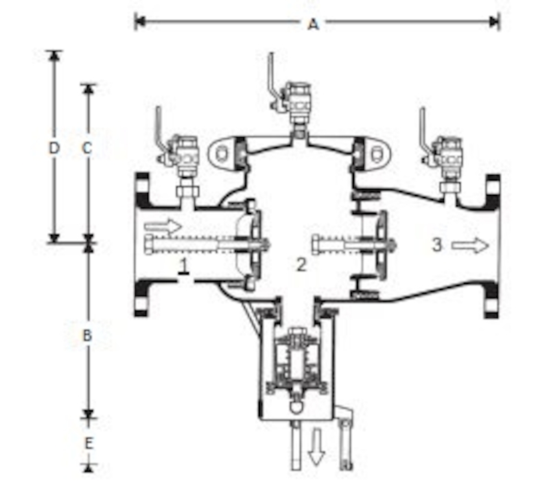
Dimensjonsområde (DN): 65 - 150
| DN | A | B | C | D | E | Netto vekt (kg) |
|---|---|---|---|---|---|---|
| 65 | 559 | 265 | 245 | 310 | 75 | 32 |
| 80 | 559 | 265 | 245 | 310 | 75 | 32.5 |
| 100 | 559 | 265 | 245 | 310 | 75 | 33 |
| 150 | 695 | 280 | 270 | 350 | 75 | 57 |
Tilbakeslagssikringer av type BA dekker risikoer opp til og med væskekategori 4 for tappevannstilkoblinger, dvs. "Væske som utgjør en helserisiko på grunn av tilstedeværelsen av ett eller flere giftige eller svært giftige stoffer eller ett eller flere radioaktive, mutagene eller kreftfremkallende stoffer".
Tilbakeslagssikringen har doble tilbakeslagsventiler og mellomliggende kamre med drenering. Verneinnretningene fungerer i tre forskjellige trykksoner. Trykket i sone 1 er høyere enn i sone 2, som igjen er høyere enn i sone 3. En dreneringsventil er koblet til sone 2 og åpner når trykkforskjellen mellom sone 1 og sone 2 faller til 0,14 bar. Vannet i sone 2 tappes ut i atmosfæren. Dette forhindrer hevert- eller overtrykkstilbakestrømning i systemet.
Tilbakeslagssikringen skal installeres som en komplett beskyttelsesmodul. Beskyttelsesmodulen består av en tilbakeslagssikring av typen BA sammen med et separat smussfilter. Avstengningsventiler er inkludert for innløp og utløp. Det er et absolutt krav at tilbakeslagssikringen installeres som en beskyttelsesmodul.
Hovedmateriale: Rustfritt stål
Hovedmaterialets kode: Syrefast stål AISI 316Ti (1.4571)
Inngående materialer: Rustfritt stål
Inkludert materialkode: Syrefast stål AISI 316Ti (1.4571)
Temperatur (°C): 0 - 65
Trykklasse (PN): 10
Forbindelse/Tilkobling: Flenset DIN-EN1092
ETIM klassifisering: EC004501 - Tilbakestrømningsbeskyttelse
Strømningsretning: En-veis
Mulig monteringsposisjon: Horisontal
Utføres av autorisert personell.
Se bruksanvisningen.