Palloventtiili supistetulla virtausaukolla hiiliteräksestä/CPTFE:stä, hitsatuilla päillä tai kierteellä ja kiinnityslaippa toimilaitteita varten. Soveltuu toimilaitteille. Kolmiosainen rakenne helpottaa huoltoa ja kunnossapitoa.
| Mitta-alue (DN) | 15 - 50 |
|---|---|
| PN | 100 - 125 |
| Lämpötila (°C) | -28 - 220 |
| Materiaali pääosin | Teräs |
| AT-numero | Suoritus | DN | PN | Lämpötila (°C) | Ohjaus | KVS | Liitäntä 1 |
|---|---|---|---|---|---|---|---|
| AT 3560-15 | Pienennetty reikä | 15 | 125 | -28 - 220 | Lukittu vipu | 6,9 | Sisäkierre ISO 228-1 (G, BSPP) |
Sulkuventtiili pääasiassa seuraavia varten: maakaasu ja öljytuotteet, lämmin ja kylmä vesi, paineilma, kylläinen höyry
PSB.1 Palloventtiilit
AFS 2023:5, PED 2014/68/EU
Tuote on CE-merkitty
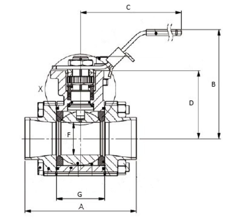
| Pos | Komponentti | Materiaali |
|---|---|---|
| 1 | Venttiilipesä | Teräs GP240GH N (1.0619) |
| 2 | Pallo | Haponkestävä ruostumaton teräs AISI 316 (1.4401) |
| 3 | Kara | Haponkestävä ruostumaton teräs AISI 316 (1.4401) |
| 4 | Venttiilirungon tiiviste | PTFE (polytetrafluorieteeni) |
| 5 | Istukkarengas | Hiilitäytteinen PTFE |
| 6 | Karan tiiviste* | Muut |
| 7 | N.A. | |
| 8 | Tukirengas | Muut |
| 9 | Päätykappale/Portit | Teräs GP240GH N (1.0619) |
| 10 | Käsivipu | Ruostumaton teräs |
| 11 | Tiivistysrengas | Lasitäytteinen PTFE (15 %) |
| 12 | O-rengas* | FPM/FKM (fluorikumi) |

Mitta-alue (DN): 15 - 50
| DN | A | B | C | D | F | G | Nettopaino (kg) |
|---|---|---|---|---|---|---|---|
| 15 | 75 | 76.6 | 140 | 42.6 | 10 | 24.5 | 0.9 |

Kolmiosainen runkorakenne on helppo huoltaa myös putkistoon hitsattuna.
Venttiiliä ei tarvitse purkaa putkistoon hitsattaessa.
Massiivipallo ja uloslentämätön, antistaattinen kararakenne jousitetulla
tiivistyksellä.
Laaja valikoima eri tiivistysmateriaaleja sekä kaikki liitostavat putkistoon.
Toimilaitteelle ISO 5211 standardin mukainen asennuslaippa.
Toimilaitteen jälkiasennuksissa venttiiliä ei tarvitse irroittaa putkistosta.
Materiaali pääosin: Teräs
Päämateriaalin koodi: Teräs GP240GH N (1.0619)
Saapuvat materiaalit: Ruostumaton teräs, Teräs, Muut
Sisältyvä materiaalikoodi: Haponkestävä ruostumaton teräs AISI 316 (1.4401), Teräs GP240GH N (1.0619), PTFE (polytetrafluorieteeni), Hiilitäytteinen PTFE
Lämpötila (°C): -28 - 220
PN: 100 - 125
Liitäntä: Sisäkierre ISO 228-1 (G, BSPP)
ETIM-luokitus: EC011343 - Palloventtiili
BK04-koodi: 20702 Palloventtiilit
Virtaussuunta: Kaksisuuntainen
Mahdollinen asennusasento: Pystysuora, Vaakasuora
Venttiiliä on huollettava säännöllisesti, jotta vältetään lian kertyminen, joka voi aiheuttaa vuotoja.