Hoppa till innehåll
3500-_IMG_1.jpg Prestera

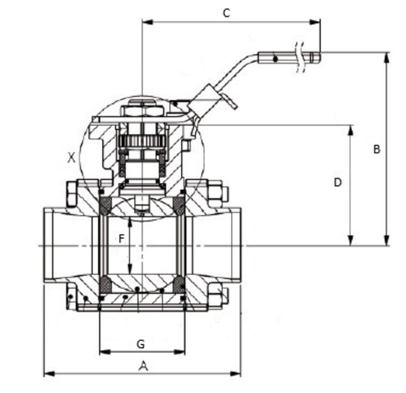
Kulventil AT 3500-

Kulventiler med reducerat genomlopp av rostfritt stål/CPTFE med svetsändar och fästfläns för manöverdon. Lämplig att automatisera. Tredelad för enkel service och underhåll. För i huvudsak syror och saltlösningar, gas, ånga, varmt och kallt vatten.

Dimensionsområde (DN)15 - 150
Tryckklass (PN)16 - 125
Temperatur (°C)-30 - 220
HuvudmaterialRostfritt stål