Pneumatiskt manöverdon monterat på vridspjällventil AT 2311.
| Artikelnummer | Antal | |||
|---|---|---|---|---|
| AT 2311-50-KSR | ||||
| AT 2311-65-KSR | ||||
| AT 2311-80-KSR |
Vridspjällventil med pneumatiskt manöverdon för on-off eller reglering.
Varmt och kallt vatten:
- Råvattensystem - Sprinkler- och brandvattensystem
- Pumpstationer - Värme- och kylsystem
- Glykolblandat vatten - Vattenbehandlingsanläggningar
- Bakvatten enl. SSG 1035 och filtersystem
- Badanläggningar - Viss askhantering
- Neutrala gaser - Gråvatten
- Vakuum - Pulver och slurrytransport
- Pneumatiska last- och lossningssystem
EPDM-gummi:Kallvatten, pulver, kolväteföreningar med max. 30% aromater vid +20 °C, luft och neutrala gaser
Vridspjäll AT 2311-
PSB.2 Vridspjällventiler
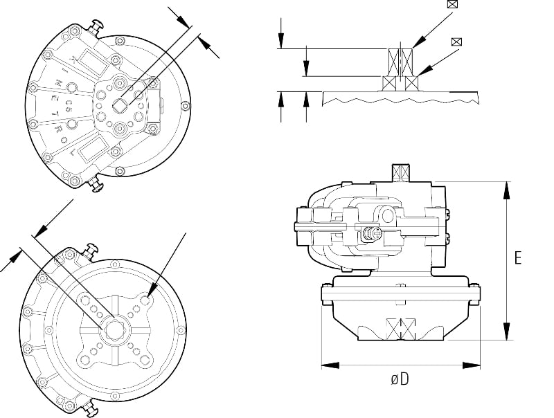
Vridspjällventil AT 2311, med hus av gråjärn och i huset fastvulkaniserat foder av EPDM samt spjällskiva i rostfritt stål
AT 2311S med spak standard t.o.m. DN150,
AT 2311V med växel standard fr.o.m DN200
Pneumatiskt manöverdon AT 3841-
UEC.22 Ställdon för ventil, pneumatiska, tvåläges med fjäderåtergång.
Manöverdon AT3841 pneumatiskt, enkelverkande för on/off och reglering av kulventiler, vridspjäll- eller där 90° vridning erfordras.
Märkning på produkt - Vridspjäll AT 2311-: Fabrikat, DN, PN, material enl SS-EN 19
Märkning på produkt - Pneumatiskt manöverdon AT 3841-: Fig. nr, serie nr, max tillåtet manövertryck.
Tillverkare, tillverkningsår
CE-märkning, Ex märkning inkl. klass
| Pos | Komponent | Material |
|---|---|---|
| 1 | Ventilhus | Gråjärn GJL-250 (GG25) |
| 2 | Spjällskiva | Rostfritt stål AISI 431 (1.4057) |
| 3 | Foder | EPDM (etenpropengummi) |

| Pos | Komponent | Material |
|---|---|---|
| 1 | Hus | Aluminium |
| 2 | Vinge | Rostfritt stål |
| 3 | Fjäder | Stål |

Heltätande underhållsfri vridspjällventil med centriskt placerad spjällskiva, delad spindel, helt hus med i huset fastvulkaniserat gummifoder som eliminerar risken för spaltkorrosion, skyddar ventilhuset invändigt mot korrosion och tjänstgör som flänspackning. Ventilen är försedd med ett pneumatiskt manöverdon med linjär momentkarakteristik som är dimensionerad med en säkerhetsfaktor på 20-30% vid 6 bar lufttryck och Δp=10bar. Manöverdonet har en patenterad kolvstyrning som förhindrar fastsättning. Ventilen är tät oavsett flödesriktning.
Huvudmaterial: Sammansatt enhet
Ingående material: Sammansatt enhet
Temperatur (°C): -20 - 80
Anslutning: Flänsad EN1092
Ventilen är avsedd att monteras mellan flänsar,utan packningar,och där så är möjligt med axlarna i horisontellt läge, enligt tabell nedan. Undvik att montera donet med luftanslutningarna uppåt.