Automaattinen ilmanerotin terästä jossa on lialta suojattu mekanismi
| Mitta-alue (DN) | 50 - 300 |
|---|---|
| PN | 10 |
| Lämpötila (°C) | 0 - 110 |
| Materiaali pääosin | Teräs |
| AT-numero | Suoritus | DN | PN | Lämpötila (°C) | Liitäntä 1 -erittely | Liitäntä 2 - erittely |
|---|---|---|---|---|---|---|
| AT 8030F50 | 50 | 10 | 0 - 110 | PN10 | PN10 | |
| AT 8030F65 | 65 | 10 | 0 - 110 | PN10 | PN10 | |
| AT 8030F80 | 80 | 10 | 0 - 110 | PN10 | PN10 | |
| AT 8030F100 | 100 | 10 | 0 - 110 | PN10 | PN10 | |
| AT 8030F125 | 125 | 10 | 0 - 110 | PN10 | PN10 | |
| AT 8030F150 | 150 | 10 | 0 - 110 | PN10 | PN10 | |
| AT 8030F200 | 200 | 10 | 0 - 110 | PN10 | PN10 | |
| AT 8030F250 | 250 | 10 | 0 - 110 | PN10 | PN10 | |
| AT 8030F300 | 300 | 10 | 0 - 110 | PN10 | PN10 |
Exvoid A -ilmanerotin on suunniteltu tehokkaaseen vapaan ilman ja mikrokuplien poistoon lämmitys- ja jäähdytysjärjestelmissä, joissa käyttöfluidina on vesi. Laite soveltuu myös järjestelmiin, joissa käytetään veden ja glykolin, kunhan seoksen pitoisuus ei ylitä 50 %. Ei sovellu järjestelmiin, joissa käytetään veden ja suolojen seoksia.
Ilmanerottimen käyttö järjestelmässä vähentää virtaushäiriöiden riskiä. Se ehkäisee kiertohäiriöitä ja korroosiovaurioita, parantaen järjestelmän toimintavarmuutta haastavissakin käyttöolosuhteissa. Samalla se vähentää huollon tarvetta.
PSF.141 Ilmansuodattimet
PED 2014/68/EU
Tuote BVB ID: 110735
SundaHus: A
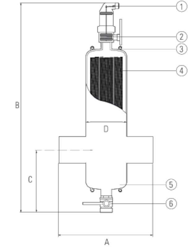
| Pos | Komponentti | Materiaali |
|---|---|---|
| 1 | Automaattinen ilmanpoistin AT 8060, jossa on ainutlaatuinen venttiilimekanismi, joka on suunniteltu tiiviiksi. | Messinki |
| 2 | Sulkuventtiili ilmanpoistimelle | Messinki |
| 3 | Nostosilmukat | Teräs |
| 4 | Tyhjiökaasunpoistin, lankaverkko erottaa optimaalisesti vapaat kaasukuplat, jopa pienimmät mikrokuplat erotetaan. | Muut |
| 5 | Pesä | Teräs |
| 6 | Tyhjennysventtiili |

Mitta-alue (DN): 50 - 300
| DN | A | B | C | D | Nettopaino (kg) |
|---|---|---|---|---|---|
| 50 | 350 | 625 | 153 | 132 | 9 |
| 65 | 350 | 625 | 163 | 132 | 10 |
| 80 | 470 | 740 | 159 | 206 | 16 |
| 100 | 475 | 740 | 169 | 206 | 19 |
| 125 | 635 | 915 | 214 | 354 | 35 |
| 150 | 635 | 915 | 229 | 354 | 39 |
| 200 | 775 | 1125 | 284 | 409 | 65 |
| 250 | 890 | 1402 | 351 | 480 | 108 |
| 300 | 1005 | 1612 | 406 | 634 | 156 |
Automaattinen ilmanerotin poistaa tehokkaasti kaasuja lämmitys- ja jäähdytysjärjestelmistä. Mikrokuplat kulkeutuvat järjestelmäveden mukana. Jotta kaasukuplat voidaan tehokkaasti erottaa nesteestä, on erotinkotelo mitoitettu suureksi suhteessa liitäntämittoihin. Tämä pienentää virtausnopeutta erotinkotelon sisällä ja mahdollistaa kaasukuplien optimaalisen erottumisen erityisen metalliverkon avulla.
Kaasukuplat nousevat kelluntakammioon, jolloin nesteen pinta laskee ja kelluke painuu alaspäin. Kun kelluke (joka on yhdistetty poistoventtiiliin varren kautta) saavuttaa tietyn matalan tason, avautuu ilmanpoistoventtiili ja ilma pääsee virtaamaan ulos. Kun kelluke nousee takaisin, venttiili sulkeutuu. Ilmakammion suuri tilavuus ja erityinen rakenne estävät nesteen pääsyn poistojärjestelmään, vaikka ilma kammiossa puristuisi jopa 10 baarin paineeseen asti.
Materiaali pääosin: Teräs
Saapuvat materiaalit: Teräs
Lämpötila (°C): 0 - 110
PN: 10
Liitäntä: Laipallinen EN1092
ETIM-luokitus: EC010117 - Ilmanpoistin
Tuotteen väri: RAL 7040 - Ikkunanharmaa
Mahdollinen asennusasento: Vaakasuora
Koska mikrokuplia vapautuu järjestelmän kuumimmassa kohdassa, tulee ilmanerotin sijoittaa juuri sinne. Lämmitysjärjestelmissä tämä kohta on yleensä menopuolella, mahdollisimman lähellä lämmönlähdettä. Jäähdytysjärjestelmissä kuumin kohta löytyy yleensä paluupuolelta juuri ennen jäähdytintä.
Jotta kelluke voi nousta ja ilma puhaltaa ulos, tulee asennuskohtaan kohdistua noin 0,5 barin ylipaine. Ilmanerotin on huoltovapaa, mutta sen toimintavarmuuden takaamiseksi se tulee tarkastaa ja puhdistaa säännöllisesti tarpeen mukaan.