Pneumaattinen toimilaite automaattiseen auki/kiinni- tai säätökäyttöön. Kaikille 90° kääntyville sulkuventtiileille, esim. pallo-, läppä- ja tulppa.
| Lämpötila (°C) | -40 - 80 |
|---|---|
| Materiaali pääosin | Alumiini |
| Suoritus | Pneumaattisesti yksitoiminen, Neljänneskierros |
| AT-numero | Suurin vääntömomentti MAST (Nm) | ISO 5211 -standardin mukainen liitäntä | Vetoholkki |
|---|---|---|---|
| AT 3840-053F120 | 20,9 | F03/F05/F07 | 14x14mm |
| AT 3840-103F120 | 164 | F10 | 22x22mm |
Pneumaattinen toimilaite automaattiseen auki/kiinni- tai säätökäyttöön. Kaikille 90° kääntyville sulkuventtiileille, esim. pallo-, läppä- ja tulppa.
UEC.22 Venttiilitoimilaitteet, pneumaattiset, kaksiasentoiset, jousipalautuksella varustetut.
ATEX 94/9/EG, 2006/42/EC (MD)
Tuote on CE-merkitty
| Pos | Komponentti | Materiaali |
|---|---|---|
| 1 | Pesä | Alumiini |
| 2 | Siipi | Ruostumaton teräs |
| 3 | Jousi | Teräs |

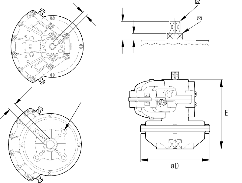
Toimilaitteiden momenttikäyrät ovat lineaariset.
Toimilaitteen lineaarisesti liikkuva läppä siirtää voiman akselin avulla
vääntöakselille ja edelleen venttiilin karaan (90° + 1°/-0,5°).
Patentoitu ohjainrakenne pitää läpän aina asennossaan ja takaa taisaisen
voimansiirron.
Toimilaitteen päädyissä on iskua rajoittavat ruuvit vakiona.
Optiona ISO 5211 mukaisen asennusliitäntä.
Rungon ja läpän liukupinnat estävät metallien väliset kosketukset, ja takaavat
pitkän käyttöiän ilman voitelua.
Lisävarusteliitännät (VDE/VDI 3845) NAMUR mukaisesti.
Materiaali pääosin: Alumiini
Saapuvat materiaalit: Ruostumaton teräs, Muovi
Sisältyvä materiaalikoodi: PUR (polyuretaani)
Lämpötila (°C): -40 - 80
ETIM-luokitus: EC011197 - Venttiilitoimilaite, pneumaattinen
BK04-koodi: 20712 Toimilaitteet
Mahdollinen asennusasento: Pystysuora, Vaakasuora
Sisä- ja ulkokäyttöön - Vapaavalintainen asennusasento- Katso erilliset asennus- ja huolto-ohjeet