Gå til indhold
DVC7621 DVC

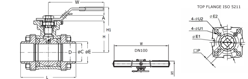
Kugleventil DVC7621

Robust industri kugleventil med svejseender og ISO topflange for direkte montering af aktuator. Dynamisk spindelpakdåse. Fødevaregodkendt iht. EU1935 & FDA

Dimensionsområde (DN)15 - 100
PN25
Temperatur (°C)-29 - 204
HovedmaterialeRustfrit stål